Products Description
Need a safe, mobile, and GMP-compliant solution for intermediate material storage?
Guanjiang’s Stainless Steel IBC Silo (Intermediate Bulk Container) is engineered for closed, dust-free material transfer in pharmaceutical, food, and chemical production lines. Featuring Ra≤0.2μm ultra-smooth inner surface, silicone-sealed valves, and specialized casters, it eliminates cross-contamination and supports batch traceability — fully compliant with global GMP standards.
Key Advantages of Guanjiang IBC Silo
Inner surface polished to Ra≤0.2μm, outer to Ra≤0.8μm. Arc corners, no dead ends, no material residue — ideal for pharma and food production.
Hopper cover and butterfly valve equipped with silicone sealing rings. Ensures closed, safe, moisture-proof storage. Prevents dust cross-contamination.
Specialized casters protect cleanroom floors. Functions as intermediate storage, system buffer, and balanced operation for continuous production lines.
Made from 304/316L stainless steel. Double-sided TIG welding with groove preparation. Welding quality complies with JB4708 and JB4709. No deformation.
Technical Specifications – IBC Silo Models
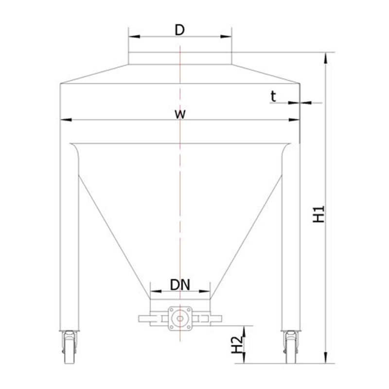
Standard IBC Silo (Square with Conical Bottom)
| Model | Volume (L) | H1 (mm) | W (mm) | D (mm) | Thickness (mm) |
|---|---|---|---|---|---|
| LDF-200 | 200 | 1097 | 594 | 100 | 2.5 |
| LDF-300 | 300 | 1168 | 794 | 125 | 2.5 |
| LDF-400 | 400 | 1290 | 794 | 125 | 2.5 |
| LDF-500 | 500 | 1331 | 994 | 125 | 2.5 |
| LDF-600 | 600 | 1366 | 994 | 125 | 2.5 |
| LDF-800 | 800 | 1545 | 994 | 125 | 2.5 |
| LDF-1000 | 1000 | 1586 | 1194 | 150 | 2.5 |
| LDF-1500 | 1500 | 1868 | 1194 | 150 | 3.0 |
| LDF-2000 | 2000 | 2238 | 1194 | 150 | 3.0 |
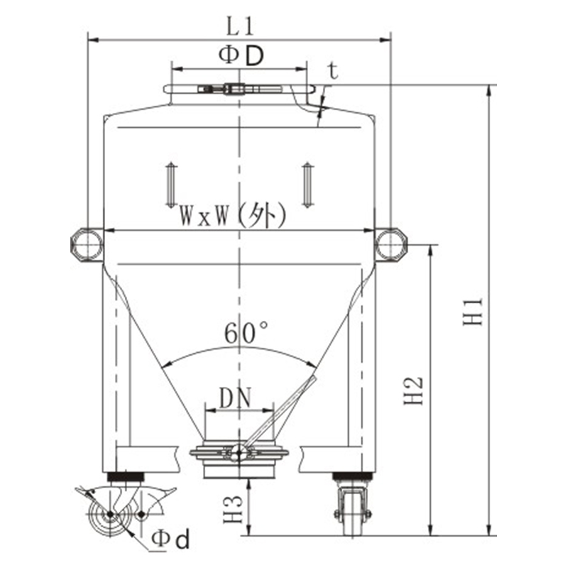
Mixing IBC Silo (for Blending Applications)
| Model | Volume (L) | H1 (mm) | L1 (mm) | ΦD (mm) | DN |
|---|---|---|---|---|---|
| LDF200M | 200 | 946 | 770 | 400 | 200 |
| LDF300M | 300 | 1258 | 788 | 400 | 200 |
| LDF400M | 400 | 1318 | 888 | 400 | 200 |
| LDF600M | 600 | 1475 | 988 | 500 | 200 |
| LDF800M | 800 | 1508 | 1088 | 500 | 200 |
| LDF1000M | 1000 | 1672 | 1210 | 500 | 250 |
? Manufacturing Standards: Welding quality complies with JB4708 & JB4709. Double-sided TIG welding with groove preparation.
⚙️ Customization Options: Material grade (304 / 316L), casters (anti-static / nylon), butterfly valve (manual / pneumatic), silicone seal color (clear / white), and surface finish level.
Frequently Asked Questions About IBC Silos
Q: What is the difference between Standard IBC Silo and Mixing IBC Silo?
A: Standard IBC silo (LDF series) is square with a conical bottom, optimized for storage and discharge. Mixing IBC silo (LDF-M series) has a different aspect ratio and is designed to fit into V-blenders or double-cone mixers for direct blending operations without material transfer.
Q: How do you ensure the sealing performance for potent pharmaceutical compounds?
A: Both the hopper cover and butterfly valve are equipped with silicone sealing rings (FDA-grade). For higher containment needs (OEB 3-5), we can provide additional gaskets, split butterfly valves, or fully contained transfer systems. Please specify your OEB level when inquiring.
Q: Are the casters suitable for cleanroom floors? Will they leave marks?
A: Yes. Our IBC silos come with specially made polyurethane casters that protect epoxy and vinyl cleanroom floors. They are non-marking, anti-static, and have low rolling resistance for easy maneuverability even with full loads.
Q: What surface roughness can you achieve, and how is it measured?
A: We achieve inner surface Ra≤0.2μm and outer surface Ra≤0.8μm through mechanical polishing and electropolishing. Roughness is verified using a contact profilometer, and inspection reports are provided with each IBC silo.
Need a custom-sized IBC silo for your GMP production line?
Request a Quote → Download IBC Silo Datasheet (PDF)* Include your required volume, material (powder/lump), and OEB level for a faster, accurate quotation.


