Products Description
Need to crush and screen powders in one continuous, closed-loop system?
Guanjiang's Rotary Vibrating Sifter (Crushing & Screening Integrated System) combines crushing and classification into a seamless operation. Oversized particles are automatically returned for further grinding until they all pass through the screen — forming an efficient closed-circuit cycle. This integrated design increases production efficiency by 30-50%, prevents over-grinding, and ensures strict particle size control. Ideal for pharmaceutical, food, chemical, and metallurgical powder processing.
Key Advantages
Continuous operation eliminates inter-batch downtime. Seamless material flow from input to finished product — significantly boosts production throughput.
Material is screened immediately upon reaching target size. Prevents fine powder from repeated mechanical impact — saves energy and avoids material property changes.
Precise screen mesh selection ensures uniform particle size distribution — every batch meets stringent pharmaceutical and food specifications.
One unit replaces crusher, elevator, and screen — drastically reduces footprint. Closed-loop design lowers overall energy consumption.
Entire system can be fully automated — reduces manual feeding, transfer, and monitoring. Lowers labor intensity and human error.
Quick-open designs for fast cleaning and replacement of screens/hammers. Ideal for frequent product changeovers in pharma and food.
Fully enclosed system prevents external contamination and controls dust — ensures product purity and clean production environment.
Typical Workflow
1️⃣ Feeding & Crushing
Raw material enters crushing chamber — broken down by high-speed rotating hammers, blades, or grinding discs.
2️⃣ Pneumatic Conveying & Screening
Crushed material is transported via negative pressure airflow to the vibrating screen mechanism.
3️⃣ Particle Size Classification
Fine particles (acceptable) pass through screen mesh — collected as final product. Coarse particles are retained.
4️⃣ Recirculation & Recrushing
Coarse particles are automatically returned to crushing chamber via recirculation system — ground until all pass through screen.
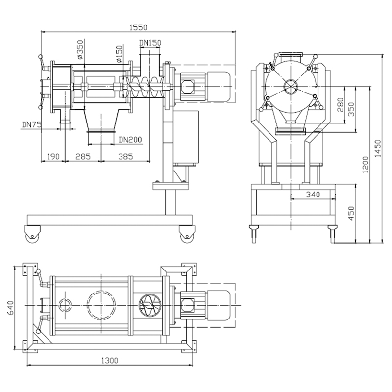
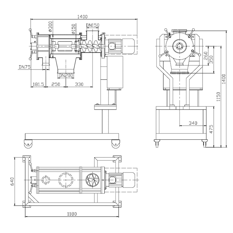
Technical Specifications
| Parameter | SF-200 | SF-250 |
|---|---|---|
| Capacity (L/h)Non | 200 ~ 800 | 400 ~ 1000 |
| VoltageNon | 3 × 380V / 50Hz | |
| Motor Speed (r/min)Non | 250 ~ 750 | 250 ~ 750 |
| Power (KW)Non | 1.5 / 2.2 | 2.2 / 4.0 |
| Mesh NumberNon | ~80 (customizable) | |
| Max Feed Particle SizeNon | < 8 mm | |
| Final Particle Size (mesh)Non | Up to 325 mesh (customizable) | |
| Weight (kg)Non | 220 | 250 |
? Customization Options:
Crushing unit options: Universal crusher / Turbo mill / Hammer mill (based on material hardness and viscosity)
Screening mechanism: Single-layer / Multi-layer vibrating screen
Material of construction: Carbon steel / SS304 / SS316L (GMP grade for pharmaceutical applications)
Additional features: Magnetic separator, cooling system, dust collection, PLC automation
Applications
| Industry | Typical Materials |
|---|---|
| PharmaceuticalNon | Traditional Chinese medicine powders, Western drug APIs (GMP compliant) |
| Food IndustryNon | Spices, sugar, grains, food additives |
| Chemical IndustryNon | Pigments, dyes, resins, fertilizers |
| Metallurgy & MiningNon | Mineral powder processing, particle size classification |
Crushing & Screening FAQs
Q1: What is the advantage of an integrated crushing-screening system over separate equipment?
A: Continuous operation eliminates inter-batch downtime. Automatic recirculation of oversize particles ensures all material meets target size. Prevents over-grinding — fine powder is immediately screened out. One unit replaces crusher + elevator + screen, saving 30-50% floor space and reducing energy consumption.
Q2: How is particle size controlled?
A: By selecting screen meshes of different sizes (from 20 to 325 mesh). The system can be configured with single or multiple screen decks for graded classification. For ultra-fine applications, additional air classifiers can be integrated.
Q3: Can this system handle heat-sensitive or sticky materials?
A: Yes. For heat-sensitive materials, we offer a cooling system integrated into the crushing chamber. For sticky or hygroscopic materials, we can add air-purge seals and non-stick coating on contact surfaces. Please provide your material characteristics for a customized recommendation.
Q4: How is the system cleaned between different products?
A: The equipment features quick-open designs for fast access to screens, crushing chamber, and conveying paths. All contact parts can be easily removed for manual cleaning. For pharmaceutical and food applications, we offer SS316L construction with mirror-polished surfaces and optional CIP (Clean-in-Place) system.
Q5: What is the typical feed particle size and output fineness?
A: Maximum feed size is < 8mm (for SF series). Output fineness can range from 20 mesh to 325 mesh (0.85mm to 0.044mm), depending on screen selection and material characteristics. Contact us for material testing to confirm achievable fineness.
Need an integrated crushing and screening solution for precise particle size control?
Request a Quote → Download Datasheet (PDF)* Please provide your target capacity (kg/h or L/h), feed size, required output fineness (mesh or μm), and material characteristics for a fast, accurate quotation.


